Exmark Stand On Sulky Parts

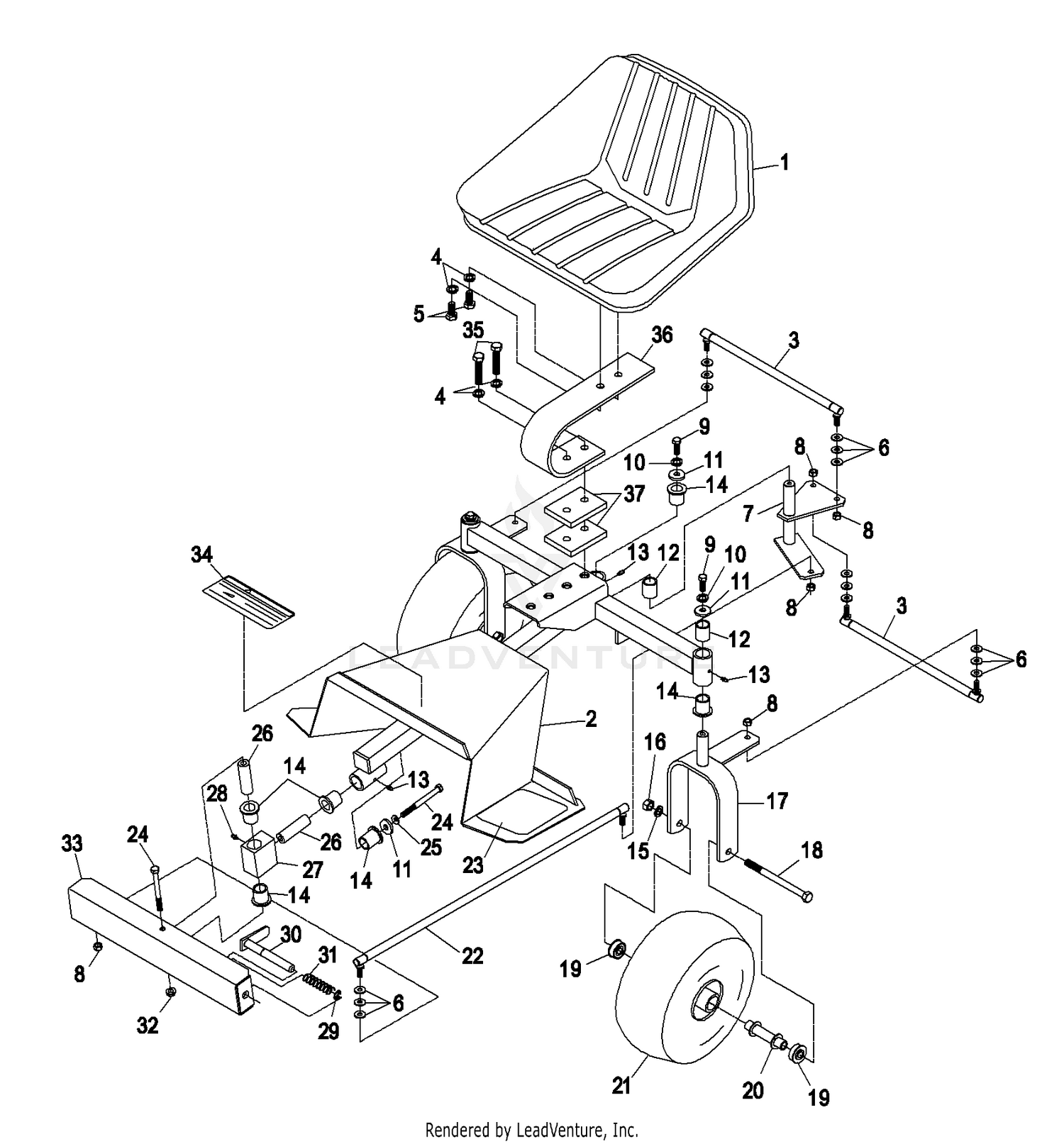
Exmark 116 7223 Standon S N 314 000 000 Up Parts Diagram For Stand On Assembly

Exmark 116 7223 Standon S N 314 000 000 Up Parts Diagram For Stand On Assembly

Exmark 116 7223 S N 316 000 000 Up Parts Diagram For Stand On Assembly

Exmark 116 7223 S N 316 000 000 Up Parts Diagram For Stand On Assembly

Exmark 116 7223 Stand On Sulky

Exmark 116 7223 Stand On Sulky

Velke Illustrated Parts Diagrams Lawnmower Pros

Velke Illustrated Parts Diagrams Lawnmower Pros

Commercial 2 Wheel Sulky Velke Fits Exmark Scag Bobcat Toro Walk Behind Mower Ebay

Commercial 2 Wheel Sulky Velke Fits Exmark Scag Bobcat Toro Walk Behind Mower Ebay

Exmark Commercial Lawn Mower Sulky Stand Ride On Velky Toro Scag 116 7223 Commercial Lawn Mowers Sulky Lawn Mower

Exmark Commercial Lawn Mower Sulky Stand Ride On Velky Toro Scag 116 7223 Commercial Lawn Mowers Sulky Lawn Mower

Exmark Commercial Lawn Mower Sulky Stand Ride On Velky Toro Scag 116 7223 Commercial Lawn Mowers Sulky Lawn Mower

Velke sulky will let you to be closer to handles and keep away from any obstacles on zero turns.

Exmark stand on sulky parts.

Stand on assembly diagram and repair parts lookup for exmark 116 7223 exmark sulky for vantage stand on mower sn. Original exmark parts are engineered to keep your machine running smoothly and performing efficiently. 400000000 402082299 2017. This item mower sulky dual wheel sulky for exmark scag bobcat toro gravely and many more red jungle wheels two wheel sulky for walkbehind mowers from jungle jim s bradley mowers two wheel mower sulky with heavy duty 18 arm b1ms32 ts2000n 42206.

Velke dual wheel parts in stock and ready to ship. Velke single wheel and double wheel parts. 116 7223 exmark sulky for vantage stand on mower sn. Exmark sulky wheel assembly 11x400x5 replaces 103 9591 aftermarket made in usa.

Exmark toro shock absorber damper 1 523027 103 2913 103 4079 w dust seal 20 98 blade clutch pto switch replaces toro exmark 114 0279 10 amp upgrade fast ship. Parts lookup and repair parts diagrams for outdoor equipment like toro mowers cub cadet tractors husqvarna chainsaws echo trimmers briggs engines etc. Shop our proparts low prices. Exmark designs mower blades belts and cutter housings with the whole machine in mind.

It features a low pressure pneumatic tube and is simple to carry and transport. Increase productivity with sulky lawn mower parts. But when it comes down to making your exmark machine hum like no other only exmark has the expertise and knowhow required to get it precisely right. Increase productivity while reducing workload with this pull behind sulky uses quikmount system spring loaded latch expanded operator deck with foot guard for safer more comfortable riding fits turf tracer and viking series.

Exmark 103 9591 wheel and bearing vantage turf tracer ezrider stand on sulky. Those parts may look right feel right and may even seem to fit right. Exmark 116 7223 stand on sulky features. 3 new refurbished from 97 95.

The best any aftermarket company can do is provide you with almost right parts for your exmark mower. Velke x2 has the same advantages as velke sulky but comes additionally with the second wheel creating a wider and more open platform for improved operator comfort. 400000000 402082299 2017.

Exmark Steerable Sulky S N 115 000 129 999 Steerable Sulky Parts

Exmark Steerable Sulky S N 115 000 129 999 Steerable Sulky Parts

Exmark Commercial Mower Ride Behind Sulky Stand On For Sale Online Ebay

Exmark Commercial Mower Ride Behind Sulky Stand On For Sale Online Ebay

Exmark 116 7223 314 000 000 Up Stand On Assembly

Exmark 116 7223 314 000 000 Up Stand On Assembly

New Exmark Stand On Sulky 116 7223 For Sale Online

New Exmark Stand On Sulky 116 7223 For Sale Online

Maximum Comfort Sulky For Commercial Walk Behind Lawnmowers Youtube

Maximum Comfort Sulky For Commercial Walk Behind Lawnmowers Youtube

Commercial Lawn Mower Sulky Fits Exmark Metro Viking Turf Tracer Stand Ride On Ebay

Commercial Lawn Mower Sulky Fits Exmark Metro Viking Turf Tracer Stand Ride On Ebay

Velky Sulky Commercial Mower 2 Wheel Stand Ride On Walk Behind Scag Toro Exmark Russo Power Equipment

Velky Sulky Commercial Mower 2 Wheel Stand Ride On Walk Behind Scag Toro Exmark Russo Power Equipment

Amazon Com Exmark 103 9591 Wheel And Bearing Vantage Turf Tracer Ezrider Stand On Sulky Lawn Mower Bearings Garden Outdoor

Amazon Com Exmark 103 9591 Wheel And Bearing Vantage Turf Tracer Ezrider Stand On Sulky Lawn Mower Bearings Garden Outdoor

Amazon Com Exmark 103 6656 Pin Latch Vantage Ezrider Stand On Sulky Garden Outdoor

Amazon Com Exmark 103 6656 Pin Latch Vantage Ezrider Stand On Sulky Garden Outdoor

Exmark Turf Tracer Sulky

Exmark Turf Tracer Sulky

Exmark 48 Commercial Walk Behind Lawn Mower Commercial Kawasaki W New Tires Commercial Lawn Mowers Walk Behind Lawn Mower Landscaping Equipment

Exmark 48 Commercial Walk Behind Lawn Mower Commercial Kawasaki W New Tires Commercial Lawn Mowers Walk Behind Lawn Mower Landscaping Equipment

Cutting Grass With The Exmark Turf Tracer 36 Inch Walk Behind Lawn Mower Youtube

Cutting Grass With The Exmark Turf Tracer 36 Inch Walk Behind Lawn Mower Youtube

Lawn Mower Sulky Options Pros And Cons Of Velke Types Igopro Lawn Supply

Lawn Mower Sulky Options Pros And Cons Of Velke Types Igopro Lawn Supply

2014 Exmark 60 Turf Tracer Walk Behind Lawn Mower Commercial Hydro W Sulky Lawn Mower Walk Behind Lawn Mower Sulky

2014 Exmark 60 Turf Tracer Walk Behind Lawn Mower Commercial Hydro W Sulky Lawn Mower Walk Behind Lawn Mower Sulky

Amazon Com Bradley Man Commercial 2 Wheel Sulky Velke Fits Scag Bobcat Toro Walk Behind Mower Garden Outdoor

Amazon Com Bradley Man Commercial 2 Wheel Sulky Velke Fits Scag Bobcat Toro Walk Behind Mower Garden Outdoor

2014 Exmark 60 Turf Tracer Walk Behind Lawn Mower Commercial Hydro Sulky Velke Walk Behind Lawn Mower Lawn Mower Walk Behind

2014 Exmark 60 Turf Tracer Walk Behind Lawn Mower Commercial Hydro Sulky Velke Walk Behind Lawn Mower Lawn Mower Walk Behind

100 Hr 1 Yr Review Exmark 36 Inch Turf Tracer Hydro Walk Behind Youtube

100 Hr 1 Yr Review Exmark 36 Inch Turf Tracer Hydro Walk Behind Youtube

Aero8tor Sulky Aerator Ballard Inc

Aero8tor Sulky Aerator Ballard Inc

Https Encrypted Tbn0 Gstatic Com Images Q Tbn 3aand9gctvln7vojemsootcyaqhy0aa5dhzvc 89opwejqfvdi K0wqcjj Usqp Cau

Https Encrypted Tbn0 Gstatic Com Images Q Tbn 3aand9gctvln7vojemsootcyaqhy0aa5dhzvc 89opwejqfvdi K0wqcjj Usqp Cau

Why Mid Size Walk Mowers Make Sense Green Industry Pros

Why Mid Size Walk Mowers Make Sense Green Industry Pros

All Inventory Kelly Tractor And Equipment

All Inventory Kelly Tractor And Equipment

Exmark Farm Equipment For Sale In Michigan 7 Listings Tractorhouse Com Page 1 Of 1

Exmark Farm Equipment For Sale In Michigan 7 Listings Tractorhouse Com Page 1 Of 1

Velky Sulky Commercial Lawn Mower Stand Ride On Walk Behind Scag Toro Exmark Russo Power Equipment

Velky Sulky Commercial Lawn Mower Stand Ride On Walk Behind Scag Toro Exmark Russo Power Equipment

Will The Proslide Xt Work With My Mower List Of Compatible Igopro Lawn Supply

Will The Proslide Xt Work With My Mower List Of Compatible Igopro Lawn Supply

Source : pinterest.com